大采汇 - 机械制造外协加工平台 - 数智化采购招标、询价报价B2B服务商

大采汇服务号

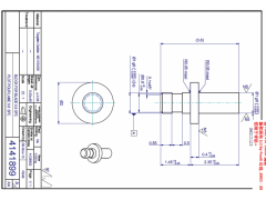
钨钢销加工件

点击图片查看原图
 
需求数量: 1000PCS
报价是否含税: 含税
报价是否含运费: 含运费
付款方式: 有预付
所在地: 江苏苏州市
发布时间: 2016-03-29
有效期至: 2016-04-28 [已过期]
浏览次数: 21
 
公司基本资料信息

您还没有登录,请登录后查看详情


 注意:查看联系方式,需开通VIP会员
详细说明
产品名称 采购量 产品描述  
            钨钢销加工件     1000PCS
材质钨钢WC K10或K20,销的规格有直径1.5mm 2mm 3mm多种,结构基本都是差不多的,单个规格年用量500个,共有12个规格,具体见附件其中的一个规格图纸,常年需求的实单,图纸所有要求不打折扣,每个产品出货前都要全检重要尺寸,请可以做的厂商务必直接打本人手机联系,谢谢!!
 
更多>同类最新订单
钢套加工 零件加工 螺栓加工 轴加工 螺母加工 小外导体加工 支管毛坯加工 外观筒加工