手机版
桌面版
二维码
开年换新·稳价保供
施耐德电气新客礼
亚德客电磁阀37.99元
西门子PLC
博世电动工具
西门子PLC
大采汇服务号
公告:
首页广告位出租
点击查看详情>
首页
最新采购单
优质工厂
优质产品
公众号
小程序
认证中心
采购行业分类
塑胶件
冲压件
钣金加工
包装印刷
焊接件
机加工
表面处理
锻造铸造
服装纺织
机械设备
电子电器
玻璃制品
模具加工
木材家具
首页
>
最新订单
>
机加工
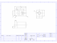
MIM、机加、精密压铸件加工
点击图片查看原图
需求数量:
200000件
报价是否含税:
含税
报价是否含运费:
含运费
付款方式:
有预付
所在地:
上海
发布时间:
2019-11-08
有效期至:
2019-11-23
[已过期]
浏览次数:
42
公司基本资料信息
您还没有登录,请登录后查看详情
注意
:查看联系方式,需开通
VIP会员
详细说明
MIM、机加、精密压铸件,1、材料为黄铜,表面镀银(不是镍) 2、能随受M4螺纹锁紧扭力不开裂
1、年用量20万件,MOQ 1万件
2、不考虑传统粉末冶金工艺,只接受MIM、机加、精密压铸等足以保证机械强度的制造工艺
3、可接受全国各地供应商报价。
图纸:
小四方铜件.pdf
更多
>
同类最新订单
螺母加工
小外导体加工
支管毛坯加工
外观筒加工
传感器弹性体加工件
机加工件
304不锈钢轴加工
离芯叶轮五轴加工