手机版
桌面版
二维码
开年换新·稳价保供
施耐德电气新客礼
亚德客电磁阀37.99元
西门子PLC
博世电动工具
西门子PLC
大采汇服务号
公告:
首页广告位出租
点击查看详情>
首页
最新采购单
优质工厂
优质产品
公众号
小程序
认证中心
采购行业分类
塑胶件
冲压件
钣金加工
包装印刷
焊接件
机加工
表面处理
锻造铸造
电子电器
机械设备
服装纺织
玻璃制品
模具加工
木材家具
首页
>
最新订单
>
机加工
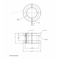
不锈钢件小轴机床加工
点击图片查看原图
需求数量:
100根
报价是否含税:
含税
报价是否含运费:
含运费
付款方式:
有预付
所在地:
浙江舟山市
发布时间:
2019-10-31
有效期至:
2019-11-07
[已过期]
浏览次数:
51
公司基本资料信息
您还没有登录,请登录后查看详情
注意
:查看联系方式,需开通
VIP会员
详细说明
产品配套需不锈钢304材质的小轴寻数控机床加工..材料用不锈钢304黑棒来制作,产品尺寸如图纸!有加工能力的厂家报优惠价!
舟山附近联系,其它地区不考虑
更多
>
同类最新订单
车件加工
不锈钢螺丝加工
钣金件加工
连接丝杠加工
机加工件
钥匙扣加工
6款机加工件
不锈钢零件加工