手机版
桌面版
二维码
开年换新·稳价保供
施耐德电气新客礼
亚德客电磁阀37.99元
西门子PLC
博世电动工具
西门子PLC
大采汇服务号
公告:
五一开通会员有优惠
点击查看详情>
首页
最新采购单
优质工厂
优质产品
公众号
小程序
认证中心
采购行业分类
塑胶件
冲压件
钣金加工
包装印刷
焊接件
机加工
表面处理
锻造铸造
电子电器
机械设备
服装纺织
玻璃陶瓷
模具加工
木材家具
首页
>
最新订单
>
机加工
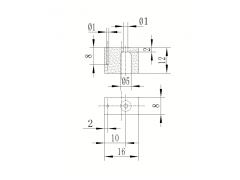
铝合金件加工
点击图片查看原图
需求数量:
100000个
报价是否含税:
含税
报价是否含运费:
含运费
付款方式:
有预付
所在地:
山东滨州市
发布时间:
2019-10-30
有效期至:
2019-11-14
[已过期]
浏览次数:
181
公司基本资料信息
您还没有登录,请登录后查看详情
注意
:查看联系方式,需开通
VIP会员
详细说明
公司求购一批铝合金加工件,铝件就是一个长方体,涉及到一个盲孔,一个通孔,附件中有图纸。单次采购不低于10万个,长期采购,产品表面需氧化成绿色或者红色。请供应商看到信息及时报价,价格含税含运费。非诚勿扰,谢谢!
更多
>
同类最新订单
铝板成型加工
配件加工
机加工件
不锈钢轴加工
齿轮加工
小批量加工
管轴加工
非标件加工