大采汇 - 机械制造外协加工平台 - 数智化采购招标、询价报价B2B服务商

大采汇服务号

压铸加工

点击图片查看原图
 
需求数量: 1000万套
报价是否含税: 含税
报价是否含运费: 含运费
付款方式: 有预付
所在地: 广东东莞市
发布时间: 2016-03-22
有效期至: 2016-04-21 [已过期]
浏览次数: 36
 
公司基本资料信息

您还没有登录,请登录后查看详情


 注意:查看联系方式,需开通VIP会员
详细说明
产品名称 采购量 产品描述  
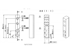
                 压铸   10000000套
寻找压铸工厂(能够做黄铜材料的工厂) 可以选择做胚料或者是直接机加工成完成品! 必须先通过做出胚,然后机加工,目的是为了降低在机加工的时间,控制成本! 材料:C3604BD 订单:100万个 C3771 订单:20万个 两种规格产品 如可以请电话联系,我会提供详细图纸!
  • 下载
  • 下载
 
更多>同类最新订单
铸铁件加工 压铸件加工 铸铜件加工 锻打件加工 锻造螺母加工 渔网坠铸造件 铝压铸件 铝压铸件