手机版
桌面版
二维码
开年换新·稳价保供
施耐德电气新客礼
亚德客电磁阀37.99元
西门子PLC
博世电动工具
西门子PLC
大采汇服务号
公告:
五一开通会员有优惠
点击查看详情>
首页
最新采购单
优质工厂
优质产品
公众号
小程序
认证中心
采购行业分类
塑胶件
冲压件
钣金加工
包装印刷
焊接件
机加工
表面处理
锻造铸造
电子电器
机械设备
服装纺织
玻璃陶瓷
模具加工
木材家具
首页
>
最新订单
>
机加工
cnc机床加工
点击图片查看原图
需求数量:
10件
报价是否含税:
含税
报价是否含运费:
含运费
付款方式:
有预付
所在地:
广东深圳市
发布时间:
2019-10-12
有效期至:
2019-10-19
[已过期]
浏览次数:
175
公司基本资料信息
您还没有登录,请登录后查看详情
注意
:查看联系方式,需开通
VIP会员
详细说明
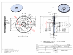
非常感谢您对我公司产品支持,如果您有意向合作,请按照图纸报价,有不明白的地方联系我们,报价单按照我的型号、图片、数量、价格、做成表格报价、请保证您的利润的情况下,给我们最低的价格、我们是网络询价,在保证图纸工业要求、交货期的前提下,只和最低的的三家谈,报高的以后有机会在合作、我们不压价、付款及时,每个月25号前送货的当月对账,下个月收到您的增值税专用发票,25号准时结款。谢谢您辛苦了,这个件体积大,请有850以上机床的CNC加工中心的公司和我联系,,精度按图纸要求,需要3D尺寸,请提供您公司的营业执照,一般人增值税证明
图纸:
300301(L).PDF
300102(加工).PDF
300101(D)单个航空头.PDF
300102(D)加工.PDF
更多
>
同类最新订单
插销车加工
搅拌杆接头加工
不锈钢箱体加工
丝杆加工
螺母加工
零件加工
CNC加工件
支撑板加工