大采汇 - 机械制造外协加工平台 - 数智化采购招标、询价报价B2B服务商

大采汇服务号

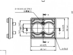
寻找东莞CNC精加工合作商

点击图片查看原图
 
需求数量: 3000件
报价是否含税: 含税
报价是否含运费: 含运费
付款方式: 有预付
所在地: 广东东莞市
发布时间: 2019-09-30
有效期至: 2019-10-15 [已过期]
浏览次数: 142
 
公司基本资料信息

您还没有登录,请登录后查看详情


 注意:查看联系方式,需开通VIP会员
详细说明

本公司寻找可长期合作的CNC精加工合作商,可达到长期合作协议,并且规模要达到4台机以上,要求:对车床的要求要达到行程1.2米, 可进行车、铣、钻模等加工工艺,并且可进行电镀、氧化、电泳等表面处理,支持成品及包装支付。 

更多>同类最新订单
插销车加工 搅拌杆接头加工 不锈钢箱体加工 丝杆加工 螺母加工 零件加工 CNC加工件 支撑板加工