大采汇 - 机械制造外协加工平台 - 数智化采购招标、询价报价B2B服务商

大采汇服务号

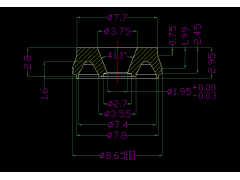
Y型密橡胶封件加工

点击图片查看原图
 
需求数量: 5000000件
报价是否含税: 含税
报价是否含运费: 含运费
付款方式: 有预付
所在地: 广东东莞市
发布时间: 2019-09-23
有效期至: 2019-09-30 [已过期]
浏览次数: 65
 
公司基本资料信息

您还没有登录,请登录后查看详情


 注意:查看联系方式,需开通VIP会员
详细说明
Y型密橡胶封件加工,详细技术 要求请致电联 

耐温 -10+60度

耐硅油;

耐磨十万次不漏油

硬度,按照应用需求调整

飞边喝模线 0.1以下

产品尺寸稳定性要好。关键尺寸控制在 +-0.06 
 
此产品年产量最少在300万个以上。现在实验结果是。自动化装配。弹簧不能把胶圈弹到指定位置。产品收缩很大。送样产品平均值在8.75   装配后一周 拆除检测产品 外径8.5  。外径影响自动装配。
 
希望你们和材料供应商,做深入的探讨。看看能不能改善产品收缩。产品生产出来 外径太大就不好装配。太小就有可能会漏油。 
更多>同类最新订单
硅胶垫加工 塑料件加工 摩托车塑料件 PVC软管加工 氮化硅球加工 采购密封圈 吹塑外发加工 采购PU麻将盒