手机版
桌面版
二维码
开年换新·稳价保供
施耐德电气新客礼
亚德客电磁阀37.99元
西门子PLC
博世电动工具
西门子PLC
大采汇服务号
公告:
首页广告位出租
点击查看详情>
首页
最新采购单
优质工厂
优质产品
公众号
小程序
认证中心
采购行业分类
塑胶件
冲压件
钣金加工
包装印刷
焊接件
机加工
表面处理
锻造铸造
服装纺织
机械设备
电子电器
玻璃制品
模具加工
木材家具
首页
>
最新订单
>
锻造铸造
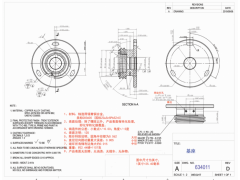
铜精铸件加工
点击图片查看原图
需求数量:
1250只
报价是否含税:
含税
报价是否含运费:
含运费
付款方式:
有预付
所在地:
上海
发布时间:
2019-09-11
有效期至:
2019-09-26
[已过期]
浏览次数:
66
公司基本资料信息
您还没有登录,请登录后查看详情
注意
:查看联系方式,需开通
VIP会员
详细说明
我司常年采购各类机械加工和汽配产品,全部出口美国。现有如下采购项目,
1、 品名:铜基座
2、 材料:铸造用锡青铜合金,美标C83600 (国标ZCuSn5Pb5Zn5)。
3、 图纸:请看附件2D与3D图纸。
4、 采购数量:首批试单1250只,返单会增加数量,此产品我司长期采购。
5、 如果您厂只能精铸,不能机加工,可以只报精铸的价格。
请报:模具费用、产品单价,都是上海交货含税价格。
图纸请解压:
1.rar
更多
>
同类最新订单
水桶铸造件
不锈钢压铸件
不锈钢精铸件
招募铝压铸供应商
不锈钢铸造件
精铸件
铸造件
压铸件