大采汇 - 机械制造外协加工平台 - 数智化采购招标、询价报价B2B服务商

大采汇服务号

cnc加工中心精密机械零件加工

点击图片查看原图
 
需求数量: 1000件
报价是否含税: 含税
报价是否含运费: 含运费
付款方式: 有预付
所在地: 广东深圳市
有效期至: 2019-09-07 [已过期]
最后更新: 2019-08-31 21:18
浏览次数: 121
 
公司基本资料信息

您还没有登录,请登录后查看详情


 注意:发布人未在本站注册,建议优先选择VIP会员
详细说明

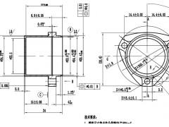
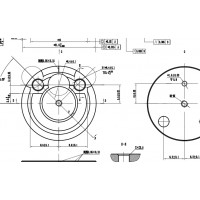
寻找【膨胀合金】 和 【轴承钢】等材料进行精密机械加工的工厂合作。附件是部分图纸,有精度要求,精度要求不可降低。欢迎能满足此类加工精度要求的工厂与我们联系。

附件:   “不锈钢棒-外壳”的副本.jpg    “导向柱”的副本.jpg    “低膨胀合金棒-上轭铁”的副本.jpg    “低膨胀合金棒-下轭铁”的副本.jpg    “定齿盘”的副本.jpg    “定齿盘”的副本.jpg    “基座底”的副本.jpg    “升降齿盘”的副本.jpg

   


更多>同类最新订单
细钢丝穿珠针加工 金属直角两通加工 T型三通加工 两通加工 四通加工 铁和不锈钢加工 机加工件 304不锈钢加工件