手机版
桌面版
二维码
开年换新·稳价保供
施耐德电气新客礼
亚德客电磁阀37.99元
西门子PLC
博世电动工具
西门子PLC
大采汇服务号
公告:
首页广告位出租
点击查看详情>
首页
最新采购单
优质工厂
优质产品
公众号
小程序
认证中心
采购行业分类
塑胶件
冲压件
钣金加工
包装印刷
焊接件
机加工
表面处理
锻造铸造
电子电器
机械设备
服装纺织
玻璃陶瓷
模具加工
木材家具
首页
>
最新订单
>
机加工
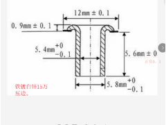
鸡眼铆钉加工
点击图片查看原图
需求数量:
150000只
报价是否含税:
含税
报价是否含运费:
含运费
付款方式:
有预付
所在地:
浙江温州市
发布时间:
2019-08-25
有效期至:
2019-09-01
[已过期]
浏览次数:
67
公司基本资料信息
您还没有登录,请登录后查看详情
注意
:查看联系方式,需开通
VIP会员
详细说明
压边鸡眼空心铆钉,5.8*6.5总长,铁镀白锌,15万,有模的联系
更多
>
同类最新订单
螺栓加工
卡簧加工
CNC加工
铝筒加工
螺杆加工
齿轮加工
车铣复合加工
钢套加工