大采汇 - 机械制造外协加工平台 - 数智化采购招标、询价报价B2B服务商

大采汇服务号

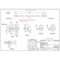
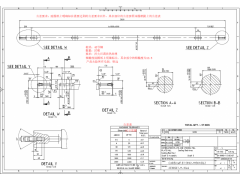
长轴加工定制

点击图片查看原图
 
需求数量: 1000件
报价是否含税: 含税
报价是否含运费: 含运费
付款方式: 有预付
所在地: 江苏无锡市
发布时间: 2019-06-12
有效期至: 2019-06-19 [已过期]
浏览次数: 81
 
公司基本资料信息

您还没有登录,请登录后查看详情


 注意:查看联系方式,需开通VIP会员
详细说明

我司需要加工定制一批长轴。具体图纸和要求见附件图纸。如有合适供应商请从速联系。 

       附件:   单根长度5020mm.pdf    单根长度5710mm.pdf    单根长度6020mm.pdf

更多>同类最新订单
铝合金加工件 杆加工 轴车铣件 走心机/自动车加工 不锈钢加工 6061铝件加工 小方块加工 机加工件