手机版
桌面版
二维码
开年换新·稳价保供
施耐德电气新客礼
亚德客电磁阀37.99元
西门子PLC
博世电动工具
西门子PLC
大采汇服务号
公告:
首页广告位出租
点击查看详情>
首页
最新采购单
优质工厂
优质产品
公众号
小程序
认证中心
采购行业分类
塑胶件
冲压件
钣金加工
包装印刷
焊接件
机加工
表面处理
锻造铸造
电子电器
机械设备
服装纺织
玻璃陶瓷
模具加工
木材家具
首页
>
最新订单
>
机加工
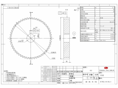
4.5模直齿轮加工
点击图片查看原图
需求数量:
100件
报价是否含税:
含税
报价是否含运费:
含运费
付款方式:
有预付
所在地:
广东惠州市
发布时间:
2019-06-01
有效期至:
2019-06-16
[已过期]
浏览次数:
49
公司基本资料信息
您还没有登录,请登录后查看详情
注意
:查看联系方式,需开通
VIP会员
详细说明
4.5模直齿轮广东惠州周边制造商
1、货期,最晚7月交齐货;
2、结算方式:订金与尾款;
3、找广东周边制造商,生产力强,时间短的。因为后期还有别的型号可能是急件加工,我们的客户目前主要是以伯恩光学为主
4、河北的如果不能货运直达的,本次请回避,谢谢。
5、图片齿轮含税运报价200上下,如果相差太大请勿扰。谢谢
图纸:
HY-PM13.6-01-061.0直齿轮56调质.PDF
HY-PM13.6-01-062.0直齿轮78调质.PDF
更多
>
同类最新订单
不锈钢箱体加工
丝杆加工
螺母加工
零件加工
CNC加工件
支撑板加工
固定板加工
底架加工