大采汇 - 机械制造外协加工平台 - 数智化采购招标、询价报价B2B服务商

大采汇服务号

塑料件开模加工

点击图片查看原图
 
需求数量: 4副
报价是否含税: 含税
报价是否含运费: 含运费
付款方式: 有预付
所在地: 浙江温州市
发布时间: 2019-05-30
有效期至: 2019-11-28 [已过期]
浏览次数: 244
 
公司基本资料信息

您还没有登录,请登录后查看详情


 注意:查看联系方式,需开通VIP会员
详细说明

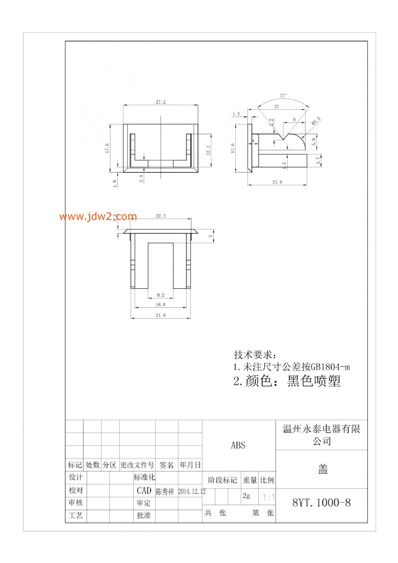
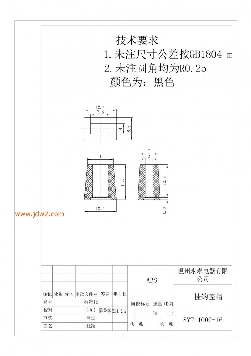
我公司专业生产美标五金产品,公司产品业务不断拓展开发,部分产品上有塑料配件,需要可以长久合作的塑料模具供应商。

现有如下图纸、照片,供应商根据图纸、照片进行产品报价:(塑料件材质:ABS) 每张图纸各1副共4副

图纸:   1.pdf    2.pdf    3.pdf    4.pdf

11185850194_3715083

11123247951_3715083

11154928893_3715083

11185829867_3715083

11185847111_3715083

更多>同类最新订单
开模定制 拉伸模具加工 开模定制 铸铝模具开模 冷挤模具加工 注塑模具加工 长年外发定制五金冲压小模具 长年外发五金冲压小模具