大采汇 - 机械制造外协加工平台 - 数智化采购招标、询价报价B2B服务商

大采汇服务号

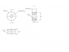
滚轮轴承加工

点击图片查看原图
 
需求数量: 30000套
报价是否含税: 含税
报价是否含运费: 含运费
付款方式: 有预付
所在地: 江苏苏州市
发布时间: 2019-05-23
有效期至: 2019-05-30 [已过期]
浏览次数: 75
 
公司基本资料信息

您还没有登录,请登录后查看详情


 注意:查看联系方式,需开通VIP会员
详细说明

我公司长期需要滚轮轴承LV20/7,每月3万套,数量稳定,现询江浙沪地区有加工能力的生产厂家。
要求
1:必须是生产厂家,贸易商勿扰。
2:生产管理品控严格的生产商,不达要求者勿扰。
3:要求验厂,生产低质量产品者勿扰。 

更多>同类最新订单
吊具-可调节丝杆加工 细钢丝穿珠针加工 金属直角两通加工 T型三通加工 两通加工 四通加工 铁和不锈钢加工 机加工件