大采汇 - 机械制造外协加工平台 - 数智化采购招标、询价报价B2B服务商

大采汇服务号

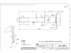
钛合金材料机加工件

点击图片查看原图
 
需求数量: 100000件
报价是否含税: 含税
报价是否含运费: 含运费
付款方式: 有预付
所在地: 上海
发布时间: 2019-05-22
有效期至: 2019-06-06 [已过期]
浏览次数: 63
 
公司基本资料信息

您还没有登录,请登录后查看详情


 注意:查看联系方式,需开通VIP会员
详细说明

尊敬的供应商,我一个客户寻钛合金材料机加工件,牌号供应商推荐,必须是钛合金材料,因为零件是酸碱液里工作的,所以要非常耐腐蚀。硬度要能达到Hrc55-60, 请供应商推荐材料,并且加工成品交货报价。听说哈氏合金很耐腐蚀不知道硬度能否达到, 如果哪位供应商对哈氏合金很了解,认为能达到我们的要球,也可以推荐哈氏合金。谢谢!

材料钛合金,直径15毫米,长度50毫米
 

更多>同类最新订单
切断/冲压和焊接加工 车铣加工件(4款) 车加工(4款) 钣金机箱加工 螺丝加工 弹销卡片加工 轴加工 铝件/不锈钢件加工