手机版
桌面版
二维码
开年换新·稳价保供
施耐德电气新客礼
亚德客电磁阀37.99元
西门子PLC
博世电动工具
西门子PLC
大采汇服务号
公告:
首页广告位出租
点击查看详情>
首页
最新采购单
优质工厂
优质产品
公众号
小程序
认证中心
采购行业分类
塑胶件
冲压件
钣金加工
包装印刷
焊接件
机加工
表面处理
锻造铸造
服装纺织
机械设备
电子电器
玻璃制品
模具加工
木材家具
首页
>
最新订单
>
锻造铸造
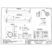
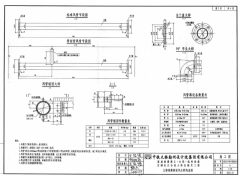
球墨铸铁伸缩管定做加工
点击图片查看原图
需求数量:
30套
报价是否含税:
含税
报价是否含运费:
含运费
付款方式:
有预付
所在地:
江苏南京市
发布时间:
2019-05-22
有效期至:
2019-05-29
[已过期]
浏览次数:
30
公司基本资料信息
您还没有登录,请登录后查看详情
注意
:查看联系方式,需开通
VIP会员
详细说明
球墨铸铁伸缩管定做加工询价采购,
DN100*1.6米长
30套
,
DN200*1.6米长
30套
,
详情见图纸
附件:
图纸.rar
球墨铸铁管要求数量.docx
更多
>
同类最新订单
水桶铸造件
不锈钢压铸件
不锈钢精铸件
招募铝压铸供应商
不锈钢铸造件
精铸件
铸造件
压铸件