| 产品名称 | 采购量 | 产品描述 | |
|---|---|---|---|
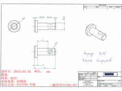
| 冷镦加工 + 机加工 | 50000件 |
请看图纸
|
你好, 我公司长期专业采购五金件. 现求购2款去英国的冷镦加工+机加工, 请图纸要求,按贵司起订量, 报发货到宁波的含税价格。
请报价的时候按将每款的款号,材质,单价,模具费,开票时间,打样时间一一标注清楚.
谢谢!
友情提示:
1, 建议让有专业技术背景、并注重细节的人来处理报价。
2, 如没有对图纸中材料,公差,表面处理,数量及工艺等提出异议,则视作都是按图纸要求报价。
3, 如没有提及样品费和模具费等问题,则视作不需要这些费用。
4, 报价单必须包含 a,价格 b,材料 c,材料用量 d,表面处理 e,打样时间 f,大货生产时间 g,报价有效期等内容.
5, 价格为送货到宁波的含税价格( 如有不同, 请注明)
6, 价格请合理公道
公告:


