手机版
桌面版
二维码
开年换新·稳价保供
施耐德电气新客礼
亚德客电磁阀37.99元
西门子PLC
博世电动工具
西门子PLC
大采汇服务号
公告:
首页广告位出租
点击查看详情>
首页
最新采购单
优质工厂
优质产品
公众号
小程序
认证中心
采购行业分类
塑胶件
冲压件
钣金加工
包装印刷
焊接件
机加工
表面处理
锻造铸造
服装纺织
机械设备
电子电器
玻璃制品
模具加工
木材家具
首页
>
最新订单
>
机加工
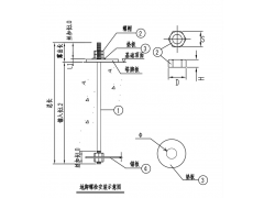
地脚螺栓-双头加工
点击图片查看原图
需求数量:
13吨
报价是否含税:
含税
报价是否含运费:
含运费
付款方式:
有预付
所在地:
安徽亳州市
发布时间:
2019-05-05
有效期至:
2019-05-12
[已过期]
浏览次数:
57
公司基本资料信息
您还没有登录,请登录后查看详情
注意
:查看联系方式,需开通
VIP会员
详细说明
45#优质碳素钢。地脚螺栓顶部打钢印标识。按图纸加工。
M48×1615数量:416根。
M56×1885数量:264根。
报价请含13%增值税及运费。送货至我公司。
更多
>
同类最新订单
铝加工件
铝件加工
铝零件加工
机加工件
不锈钢管件加工
立柱车加工
汽车锻件加工
连接帽加工