手机版
桌面版
二维码
开年换新·稳价保供
施耐德电气新客礼
亚德客电磁阀37.99元
西门子PLC
博世电动工具
西门子PLC
大采汇服务号
公告:
首页广告位出租
点击查看详情>
首页
最新采购单
优质工厂
优质产品
公众号
小程序
认证中心
采购行业分类
塑胶件
冲压件
钣金加工
包装印刷
焊接件
机加工
表面处理
锻造铸造
电子电器
机械设备
服装纺织
玻璃制品
模具加工
木材家具
首页
>
最新订单
>
机加工
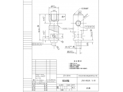
易切钢轴机加工
点击图片查看原图
需求数量:
1500000只
报价是否含税:
含税
报价是否含运费:
含运费
付款方式:
有预付
所在地:
浙江宁波市
发布时间:
2019-05-01
有效期至:
2019-05-16
[已过期]
浏览次数:
189
公司基本资料信息
您还没有登录,请登录后查看详情
注意
:查看联系方式,需开通
VIP会员
详细说明
我司紧急寻找能加工此轴的供应商朋友,年采购量150万套,目标价0.185元/套 (含税含运费)。图纸已在附件中,欢迎广大供应商朋友评估并报价
如果满足此要求的加工厂,欢迎与本公司取得联系
图纸:
250-002A 5-01.pdf
更多
>
同类最新订单
车件
1.5米龙门铣加工
铝件加工
机架加工
刀封升降平台加工
车件加工
不锈钢螺丝加工
钣金件加工