手机版
桌面版
二维码
开年换新·稳价保供
施耐德电气新客礼
亚德客电磁阀37.99元
西门子PLC
博世电动工具
西门子PLC
大采汇服务号
公告:
首页广告位出租
点击查看详情>
首页
最新采购单
优质工厂
优质产品
公众号
小程序
认证中心
采购行业分类
塑胶件
冲压件
钣金加工
包装印刷
焊接件
机加工
表面处理
锻造铸造
服装纺织
机械设备
电子电器
玻璃制品
模具加工
木材家具
首页
>
最新订单
>
焊接件
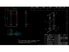
430不锈铁卷管或无缝管焊接加工
点击图片查看原图
需求数量:
5000件
报价是否含税:
含税
报价是否含运费:
含运费
付款方式:
有预付
所在地:
广东深圳市
有效期至:
2019-03-23
[已过期]
最后更新:
2019-03-08 21:15
浏览次数:
147
公司基本资料信息
您还没有登录,请登录后查看详情
注意
:发布人未在本站注册,建议优先选择
VIP会员
详细说明
由430板材按图纸要求焊接加工,管子之间须满焊,确保管子之间的同轴度,角度及安装配件孔等管件尺寸,组装后打压测试不漏水或不漏气。
更多
>
同类最新订单
传感器底座加工
电池包高能工业螺旋CT
焊接件
招募碰焊供应商
招募烧焊铁网加工供应
招募绝缘材料、铸件、
不锈钢管焊接加工定做
电子后焊加工