大采汇 - 机械制造外协加工平台 - 数智化采购招标、询价报价B2B服务商

大采汇服务号

熔模铸造件加工

点击图片查看原图
 
需求数量: 1000件
报价是否含税: 含税
报价是否含运费: 含运费
付款方式: 有预付
所在地: 上海
发布时间: 2018-12-21
有效期至: 2018-12-28 [已过期]
浏览次数: 22
 
公司基本资料信息

您还没有登录,请登录后查看详情


 注意:查看联系方式,需开通VIP会员
详细说明

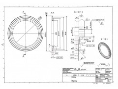
求购熔模铸造件, 

1. 材质:EN-GJS-45-10, 相当于国内QT450-10 球墨铸铁, 

2. 表面: 粗糙度ISO1302

3. 其他要求参照图纸, 如尺寸ISO2768MK, ISO 14405; 公差ISO8015, ISO13715

4. 数量:暂按照1000个, 或者注明起定量


更多>同类最新订单
水桶铸造件 不锈钢压铸件 不锈钢精铸件 招募铝压铸供应商 不锈钢铸造件 精铸件 铸造件 压铸件