| 产品名称 | 采购量 | 产品描述 | |
|---|---|---|---|
| 注塑产品 | 115000pcs |
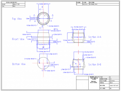
共9款产品,图纸/实物图片详见如下
|
急需找有现模生产厂家,每款产品需求量详见如下,有意向厂家与我联络(聂'S),每款产品均有实物图片,有意向厂家,可以与我拿实物产品图片参考。
| ASP Part Number | Annual Usage | Remark | |
| 1 | B013 | 3,500 | 有图纸。有3个样品 |
| 2 | B043 | 13,500 | 有图纸。有3个样品 |
| 3 | B047 | 6,000 | 有图纸。有3个样品 |
| 4 | B048 | 115,000 | 有图纸。有3个样品 |
| 5 | B068 | 3,000 | 有图纸。有3个样品 |
| 6 | B082 | 1,500 | 有图纸。有3个样品 |
| 7 | B092 | 110,000 | 有图纸。有3个样品 |
| 8 | B120 | 17,000 | 有图纸。有3个样品 |
| 9 | C033 | 6,500 | 有3个样品 |

公告:


