要求及标准:
一、规格、数量:
1、130/131 1、2方通(左、右)铸钢件 56.2*30.5*12 年用量 70000个
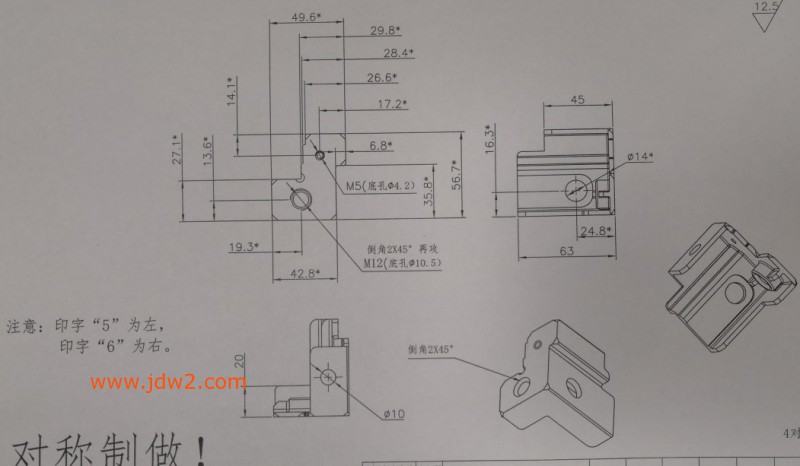
2、93/94 5、6立柱(左、右)铸钢件 63*56.7*49.6 年用量 50000个
3、129 托盘铸钢件 41.1*29.4*12 年用量 60000个
二、材料需要通过相应认证或第三方检测报告:
1、35#钢 铸钢件 ROSH 2.0
请提供认证证书或第三方检测报告电子版
三、价格含16%增值税发票、含到浙江宁波市本单位仓库运费。
四、可直接邮件发送报价单(请附上报价公司名称及联系方式):fangoffice@foxmail.com
五、图纸、实物图片

1、130/131 1、2方通(左、右)铸钢件 56.2*30.5*12 70000个

2、93/94 5、6立柱(左、右)铸钢件 63*56.7*49.6 50000个

3、129 托盘铸钢件 41.1*29.4*12 60000个


公告:

