手机版
桌面版
二维码
开年换新·稳价保供
施耐德电气新客礼
亚德客电磁阀37.99元
西门子PLC
博世电动工具
西门子PLC
大采汇服务号
公告:
首页广告位出租
点击查看详情>
首页
最新采购单
优质工厂
优质产品
公众号
小程序
认证中心
采购行业分类
塑胶件
冲压件
钣金加工
包装印刷
焊接件
机加工
表面处理
锻造铸造
服装纺织
机械设备
电子电器
玻璃制品
模具加工
木材家具
首页
>
最新订单
>
机加工
钢型材加工
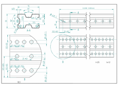
点击图片查看原图
需求数量:
2000米
报价是否含税:
含税
报价是否含运费:
含运费
付款方式:
有预付
所在地:
山东莱芜市
发布时间:
2018-11-10
有效期至:
2018-11-17
[已过期]
浏览次数:
25
公司基本资料信息
您还没有登录,请登录后查看详情
注意
:查看联系方式,需开通
VIP会员
详细说明
材质:
S 280 GD + Z 140 M/AC
厚度1.25mm
长度2000mm或者12000mm。
单次采购数量至少1000件
每年采购量很大。
附件:
11.pdf
更多
>
同类最新订单
挡钞杆滑板CNC加工
缓冲板CNC加工
压板加工
滑座CNC加工
支架垫板CNC加工
支架垫片加工
支承托板CNC加工
连接支座CNC加工