大采汇 - 机械制造外协加工平台 - 数智化采购招标、询价报价B2B服务商

大采汇服务号

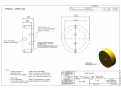
黄铜加工件

点击图片查看原图
 
需求数量: 3600件
报价是否含税: 含税
报价是否含运费: 含运费
付款方式: 有预付
所在地: 上海
发布时间: 2018-10-30
有效期至: 2018-11-06 [已过期]
浏览次数: 33
 
公司基本资料信息

您还没有登录,请登录后查看详情


 注意:查看联系方式,需开通VIP会员
详细说明

采购黄铜加工件

1. 材质:BS 2874: 1986 CZ121 pb3 相当于 HPB59-3

2. 无毛刺

3. 毛坯材料硬度: 硬度检测位置如右下角三维图

4. 热处理:退货硬度最大110HV,

5. 所有孔必须垂直表面90度

附件:   5783513.pdf
 
更多>同类最新订单
挡钞杆滑板CNC加工 缓冲板CNC加工 压板加工 滑座CNC加工 支架垫板CNC加工 支架垫片加工 支承托板CNC加工 连接支座CNC加工