手机版
桌面版
二维码
开年换新·稳价保供
施耐德电气新客礼
亚德客电磁阀37.99元
西门子PLC
博世电动工具
西门子PLC
大采汇服务号
公告:
首页广告位出租
点击查看详情>
首页
最新采购单
优质工厂
优质产品
公众号
小程序
认证中心
采购行业分类
塑胶件
冲压件
钣金加工
包装印刷
焊接件
机加工
表面处理
锻造铸造
服装纺织
机械设备
电子电器
玻璃制品
模具加工
木材家具
首页
>
最新订单
>
机加工
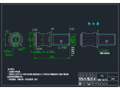
机加工 精密加工 外贸机加工订单
点击图片查看原图
需求数量:
1000件
报价是否含税:
含税
报价是否含运费:
含运费
付款方式:
有预付
所在地:
山东潍坊市
发布时间:
2018-10-18
有效期至:
2018-11-02
[已过期]
浏览次数:
150
公司基本资料信息
您还没有登录,请登录后查看详情
注意
:查看联系方式,需开通
VIP会员
详细说明
机加工 精密加工,实单采购,有意向的请加微信,将公司厂况视频,产品照片等资料发过来。
CAD图纸:
完整二维图.rar
更多
>
同类最新订单
挡钞杆滑板CNC加工
缓冲板CNC加工
压板加工
滑座CNC加工
支架垫板CNC加工
支架垫片加工
支承托板CNC加工
连接支座CNC加工