大采汇 - 机械制造外协加工平台 - 数智化采购招标、询价报价B2B服务商

大采汇服务号

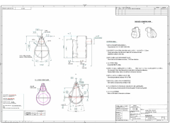
凸轮锻打+机加工

点击图片查看原图
 
需求数量: 7000件
报价是否含税: 含税
报价是否含运费: 含运费
付款方式: 有预付
所在地: 山东青岛市
有效期至: 2018-09-11 [已过期]
最后更新: 2018-09-04 12:42
浏览次数: 13
 
公司基本资料信息

您还没有登录,请登录后查看详情


 注意:发布人未在本站注册,建议优先选择VIP会员
详细说明

凸轮机加工,转轴凸轮锻造

1.现为询价阶段

2.Quantity(数量):

 2020 – 723,710 pcs.

 2021 – 773,613 pcs.

 2022 – 944, 513 pcs.

 2023 – 1,469,128 pcs.

 2024 – 1,478,046 pcs.

 2025 – 1,457,556 pcs.

2026 – 1,092,582 pcs.

2027 – 500,932 pcs.

 2028 – 86,681 pcs.  
更多>同类最新订单
水桶铸造件 不锈钢压铸件 不锈钢精铸件 招募铝压铸供应商 不锈钢铸造件 精铸件 铸造件 压铸件