手机版
桌面版
二维码
开年换新·稳价保供
施耐德电气新客礼
亚德客电磁阀37.99元
西门子PLC
博世电动工具
西门子PLC
大采汇服务号
公告:
首页广告位出租
点击查看详情>
首页
最新采购单
优质工厂
优质产品
公众号
小程序
认证中心
采购行业分类
塑胶件
冲压件
钣金加工
包装印刷
焊接件
机加工
表面处理
锻造铸造
服装纺织
机械设备
电子电器
玻璃制品
模具加工
木材家具
首页
>
最新订单
>
机加工
黄铜盖子加工
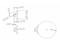
点击图片查看原图
需求数量:
2750个
报价是否含税:
含税
报价是否含运费:
含运费
付款方式:
有预付
所在地:
福建厦门市
发布时间:
2018-08-16
有效期至:
2018-08-23
[已过期]
浏览次数:
25
公司基本资料信息
您还没有登录,请登录后查看详情
注意
:查看联系方式,需开通
VIP会员
详细说明
机械加工五金零件配件定做
1)材料:黄铜
2)数量:中型盖子需要750个,小型盖子需要2000个
3)黄铜盖子的表面要电镀,使盖子跟钢球一样光亮
4)附件图纸的尺寸单位:英寸
请联系QQ
更多
>
同类最新订单
轴加工
钢套加工
铝加工件
铝件加工
铝零件加工
机加工件
不锈钢管件加工
立柱车加工