手机版
桌面版
二维码
开年换新·稳价保供
施耐德电气新客礼
亚德客电磁阀37.99元
西门子PLC
博世电动工具
西门子PLC
大采汇服务号
公告:
五一开通会员有优惠
点击查看详情>
首页
最新采购单
优质工厂
优质产品
公众号
小程序
认证中心
采购行业分类
塑胶件
冲压件
钣金加工
包装印刷
焊接件
机加工
表面处理
锻造铸造
电子电器
机械设备
服装纺织
玻璃陶瓷
模具加工
木材家具
首页
>
最新订单
>
机加工
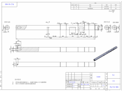
轴芯车床加工
点击图片查看原图
需求数量:
100件
报价是否含税:
含税
报价是否含运费:
含运费
付款方式:
有预付
所在地:
广东深圳市
发布时间:
2018-08-10
有效期至:
2018-08-17
[已过期]
浏览次数:
68
公司基本资料信息
您还没有登录,请登录后查看详情
注意
:查看联系方式,需开通
VIP会员
详细说明
轴芯车床加工,长度520MM
附件:
图纸.pdf
更多
>
同类最新订单
CNC加工件
大板加工
插销车加工
搅拌杆接头加工
不锈钢箱体加工
丝杆加工
螺母加工
零件加工