手机版
桌面版
二维码
开年换新·稳价保供
施耐德电气新客礼
亚德客电磁阀37.99元
西门子PLC
博世电动工具
西门子PLC
大采汇服务号
公告:
首页广告位出租
点击查看详情>
首页
最新采购单
优质工厂
优质产品
公众号
小程序
认证中心
采购行业分类
塑胶件
冲压件
钣金加工
包装印刷
焊接件
机加工
表面处理
锻造铸造
服装纺织
机械设备
电子电器
玻璃制品
模具加工
木材家具
首页
>
最新订单
>
钣金加工
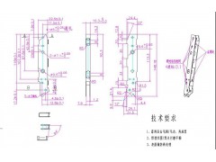
钣金冲压焊接、开模、做件
点击图片查看原图
需求数量:
1000000件
报价是否含税:
含税
报价是否含运费:
含运费
付款方式:
有预付
所在地:
重庆
有效期至:
2015-10-19
[已过期]
最后更新:
2015-09-19 16:55
浏览次数:
55
公司基本资料信息
您还没有登录,请登录后查看详情
注意
:发布人未在本站注册,建议优先选择
VIP会员
详细说明
产品名称
采购量
产品描述
钣金冲压焊接、开模、做件
1000000件
开模6件,冲压加工并焊接及表面镀锌处理,数量
更多
>
同类最新订单
钣金件加工
钣金加工
自动化设备钣金加工
骨架钣金件加工
钣金加工
钣金加工
金属件激光切割与滚弯
钣金加工