手机版
桌面版
二维码
开年换新·稳价保供
施耐德电气新客礼
亚德客电磁阀37.99元
西门子PLC
博世电动工具
西门子PLC
大采汇服务号
公告:
首页广告位出租
点击查看详情>
首页
最新采购单
优质工厂
优质产品
公众号
小程序
认证中心
采购行业分类
塑胶件
冲压件
钣金加工
包装印刷
焊接件
机加工
表面处理
锻造铸造
电子电器
机械设备
服装纺织
玻璃陶瓷
模具加工
木材家具
首页
>
最新订单
>
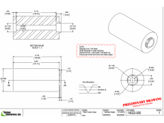
机加工
不锈钢滚筒加工
点击图片查看原图
需求数量:
500件
报价是否含税:
含税
报价是否含运费:
含运费
付款方式:
有预付
所在地:
浙江宁波市
发布时间:
2018-07-26
有效期至:
2018-08-02
[已过期]
浏览次数:
31
公司基本资料信息
您还没有登录,请登录后查看详情
注意
:查看联系方式,需开通
VIP会员
详细说明
不锈钢滚筒,铸件。单价含税含运费货到宁波工厂,开增值税票。产品为一套,两个滚筒组成,第一批试单500套。滚筒部分需要钻石滚花,牙印深度为1mm左右,网格间距为1-2mm。成品尺寸按照图纸验货,表面去油,无毛刺,清洗不锈钢本色。
更多
>
同类最新订单
走心机加工
滑块CNC加工
立加卧加龙门加工件
螺母加工
安装块加工
外导体加工
张紧轴加工
滚筒加工