大采汇 - 机械制造外协加工平台 - 数智化采购招标、询价报价B2B服务商

大采汇服务号

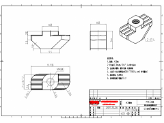
A3碳钢T型螺母加工

点击图片查看原图
 
需求数量: 200000个
报价是否含税: 含税
报价是否含运费: 含运费
付款方式: 有预付
所在地: 辽宁大连市
有效期至: 2018-07-25 [已过期]
最后更新: 2018-07-18 23:41
浏览次数: 20
 
公司基本资料信息

您还没有登录,请登录后查看详情


 注意:发布人未在本站注册,建议优先选择VIP会员
详细说明

1.采购量为月采购量。

2.按图纸生产加工,做不到的请不要参与报价。不能满足要求胡乱报价者加入企业黑名单。

收货条件:

产品需要符合国家标准及图纸要求,不符合要求或在使用过程中出现质量问题,直接退货处理,相关损失及运费等由卖家承担。

附件:    8槽40系列T形螺母(M4).pdf    8槽40系列T形螺母(M5).pdf    8槽40系列T形螺母(M6).pdf
更多>同类最新订单
吊具-可调节丝杆加工 细钢丝穿珠针加工 金属直角两通加工 T型三通加工 两通加工 四通加工 铁和不锈钢加工 机加工件