大采汇 - 机械制造外协加工平台 - 数智化采购招标、询价报价B2B服务商

大采汇服务号

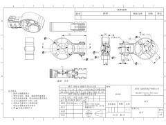
机加工报价-压铸开模报价-塑胶开模加工

点击图片查看原图
 
需求数量: 10000件
报价是否含税: 含税
报价是否含运费: 含运费
付款方式: 有预付
所在地: 广东深圳市
发布时间: 2018-07-17
有效期至: 2018-07-20 [已过期]
浏览次数: 24
 
公司基本资料信息

您还没有登录,请登录后查看详情


 注意:查看联系方式,需开通VIP会员
详细说明

添加qq  备注是什么厂商(机加工&塑胶&压铸)

进行报价,现有的3款产品,一款机加工(有一定难度)

一款塑胶开模,一款压铸开模

数量要求:开模产品先走两个小批量,后期最小起订量报价单写清楚

不加qq的可以不会及时看到

截止报价时间2018-7-18   ,  截止时间后请勿拨打电话! 
更多>同类最新订单
开模定制 拉伸模具加工 开模定制 铸铝模具开模 冷挤模具加工 注塑模具加工 长年外发定制五金冲压小模具 长年外发五金冲压小模具