手机版
桌面版
二维码
开年换新·稳价保供
施耐德电气新客礼
亚德客电磁阀37.99元
西门子PLC
博世电动工具
西门子PLC
大采汇服务号
公告:
首页广告位出租
点击查看详情>
首页
最新采购单
优质工厂
优质产品
公众号
小程序
认证中心
采购行业分类
塑胶件
冲压件
钣金加工
包装印刷
焊接件
机加工
表面处理
锻造铸造
电子电器
机械设备
服装纺织
玻璃陶瓷
模具加工
木材家具
首页
>
最新订单
>
机加工
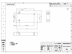
过渡板,左右下铰链螺母板加工
点击图片查看原图
需求数量:
12000件
报价是否含税:
含税
报价是否含运费:
含运费
付款方式:
有预付
所在地:
安徽滁州市
发布时间:
2018-06-25
有效期至:
2018-07-25
[已过期]
浏览次数:
31
公司基本资料信息
您还没有登录,请登录后查看详情
注意
:查看联系方式,需开通
VIP会员
详细说明
过渡板,左右下铰链螺母板,车削件,长期有量,无需对产品进行电泳镀锡表面处理,注重价格。有意者加微信(与手机同号)
过渡板
可用特定宽度型材直接取长,然后进行加工,以降低成本。
附件:
左右下铰链螺母板.pdf
24000件
附件:
过渡板.pdf
12000件
更多
>
同类最新订单
中模套加工
六角螺母加工
支撑架/旋转轴加工
上冲座加工
机加工件
内六角堵头加工
冷镦接头加工
轴加工