Deprecated: mysql_connect(): The mysql extension is deprecated and will be removed in the future: use mysqli or PDO instead in /www/wwwroot/www_jdw2_com/include/db_mysql.class.php on line 21

Notice: Undefined index: comment_module in /www/wwwroot/www_jdw2_com/module/buy/show.inc.php on line 4
粉末冶金加工_机加工最新订单_大采汇 - 机械制造外协加工平台 - 数智化采购招标、询价报价B2B服务商
大采汇 - 机械制造外协加工平台 - 数智化采购招标、询价报价B2B服务商

大采汇服务号

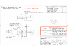
粉末冶金加工

点击图片查看原图
 
需求数量: 200000件
报价是否含税: 含税
报价是否含运费: 含运费
付款方式: 有预付
所在地: 浙江宁波市
发布时间: 2018-06-20
有效期至: 2018-07-20 [已过期]
浏览次数: 30
 
公司基本资料信息

您还没有登录,请登录后查看详情


 注意:查看联系方式,需开通VIP会员
详细说明
采购粉末冶金件,数量及材料要求见图纸,如能生产尽快联系我,谢谢。

附件:   a61043.pdf    b67232.pdf    b73501.pdf    b81914.pdf
    
更多>同类最新订单
中模套加工 六角螺母加工 支撑架/旋转轴加工 上冲座加工 机加工件 内六角堵头加工 冷镦接头加工 轴加工