手机版
桌面版
二维码
开年换新·稳价保供
施耐德电气新客礼
亚德客电磁阀37.99元
西门子PLC
博世电动工具
西门子PLC
大采汇服务号
公告:
五一开通会员有优惠
点击查看详情>
首页
最新采购单
优质工厂
优质产品
公众号
小程序
认证中心
采购行业分类
塑胶件
冲压件
钣金加工
包装印刷
焊接件
机加工
表面处理
锻造铸造
电子电器
机械设备
服装纺织
玻璃陶瓷
模具加工
木材家具
首页
>
最新订单
>
冲压件
固定板加工
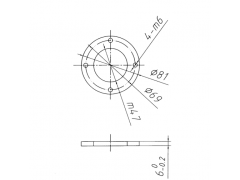
点击图片查看原图
需求数量:
3000件
报价是否含税:
含税
报价是否含运费:
含运费
付款方式:
有预付
所在地:
广东珠海市
发布时间:
2018-06-11
有效期至:
2018-12-10
[已过期]
浏览次数:
68
公司基本资料信息
您还没有登录,请登录后查看详情
注意
:查看联系方式,需开通
VIP会员
详细说明
现在厚度已改为5.5mm,每次订单3000以上,找佛山长期合作冲压加工厂。
自带模具和材料,请报冲压加工价格,佛山优先
更多
>
同类最新订单
弹片冲压加工
配件冲压加工
铝冲压件加工
冲压件/机加工件
提把加工
冲压件加工
冲压件加工
铝冲压件