手机版
桌面版
二维码
开年换新·稳价保供
施耐德电气新客礼
亚德客电磁阀37.99元
西门子PLC
博世电动工具
西门子PLC
大采汇服务号
公告:
首页广告位出租
点击查看详情>
首页
最新采购单
优质工厂
优质产品
公众号
小程序
认证中心
采购行业分类
塑胶件
冲压件
钣金加工
包装印刷
焊接件
机加工
表面处理
锻造铸造
服装纺织
机械设备
电子电器
玻璃制品
模具加工
木材家具
首页
>
最新订单
>
模具加工
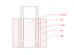
粉末冶金模具加工
点击图片查看原图
需求数量:
1套
报价是否含税:
含税
报价是否含运费:
含运费
付款方式:
有预付
所在地:
浙江宁波市
发布时间:
2018-06-05
有效期至:
2018-06-20
[已过期]
浏览次数:
15
公司基本资料信息
您还没有登录,请登录后查看详情
注意
:查看联系方式,需开通
VIP会员
详细说明
详情请查看附件,模具种类很多,需求普通以及合金 各型号各一套。附件:
合金模具尺寸详情.xls
普通模具尺寸详情.xls
联系请加我QQ
申请时请注明报价种类。
更多
>
同类最新订单
开模定制
拉伸模具加工
开模定制
铸铝模具开模
冷挤模具加工
注塑模具加工
长年外发定制五金冲压
长年外发五金冲压小模