手机版
桌面版
二维码
开年换新·稳价保供
施耐德电气新客礼
亚德客电磁阀37.99元
西门子PLC
博世电动工具
西门子PLC
大采汇服务号
公告:
首页广告位出租
点击查看详情>
首页
最新采购单
优质工厂
优质产品
公众号
小程序
认证中心
采购行业分类
塑胶件
冲压件
钣金加工
包装印刷
焊接件
机加工
表面处理
锻造铸造
服装纺织
机械设备
电子电器
玻璃制品
模具加工
木材家具
首页
>
最新订单
>
机加工
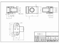
柱塞加工
点击图片查看原图
需求数量:
3000件
报价是否含税:
含税
报价是否含运费:
含运费
付款方式:
有预付
所在地:
山东德州市
发布时间:
2018-05-28
有效期至:
2018-06-27
[已过期]
浏览次数:
43
公司基本资料信息
您还没有登录,请登录后查看详情
注意
:查看联系方式,需开通
VIP会员
详细说明
求购柱塞,月采购量2000-3000件,不同规格 附件:
13柱塞杆.pdf
13柱塞套.pdf
更多
>
同类最新订单
6061铝管外协厂加工
PPS骨架挡板加工
7款加工件外协加工
轴加工
挡钞杆滑板CNC加工
缓冲板CNC加工
压板加工
滑座CNC加工