手机版
桌面版
二维码
开年换新·稳价保供
施耐德电气新客礼
亚德客电磁阀37.99元
西门子PLC
博世电动工具
西门子PLC
大采汇服务号
公告:
首页广告位出租
点击查看详情>
首页
最新采购单
优质工厂
优质产品
公众号
小程序
认证中心
采购行业分类
塑胶件
冲压件
钣金加工
包装印刷
焊接件
机加工
表面处理
锻造铸造
电子电器
机械设备
服装纺织
玻璃陶瓷
模具加工
木材家具
首页
>
最新订单
>
机加工
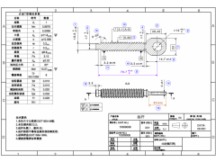
齿纹螺杆机加工
点击图片查看原图
需求数量:
10000件
报价是否含税:
含税
报价是否含运费:
含运费
付款方式:
有预付
所在地:
江苏苏州市
发布时间:
2018-05-17
有效期至:
2018-06-16
[已过期]
浏览次数:
22
公司基本资料信息
您还没有登录,请登录后查看详情
注意
:查看联系方式,需开通
VIP会员
详细说明
齿纹螺杆机加工产品寻锻打冷镦热压滚牙工艺加工厂家。本产品属于汽车件,长期稳定有量,请保证能够加工好齿纹不分,请注意不是标准螺纹,而是属于丝杆类齿纹,如果能做才请报价,不能做切勿胡乱报价,谢谢
更多
>
同类最新订单
法兰/轴座加工
上连板/立柱加工
横梁/挂耳/连接杆加工
托板加工
CNC加工
不锈钢加工
下冲支撑丝杆加工
冲压加工