手机版
桌面版
二维码
开年换新·稳价保供
施耐德电气新客礼
亚德客电磁阀37.99元
西门子PLC
博世电动工具
西门子PLC
大采汇服务号
公告:
首页广告位出租
点击查看详情>
首页
最新采购单
优质工厂
优质产品
公众号
小程序
认证中心
采购行业分类
塑胶件
冲压件
钣金加工
包装印刷
焊接件
机加工
表面处理
锻造铸造
服装纺织
机械设备
电子电器
玻璃制品
模具加工
木材家具
首页
>
最新订单
>
冲压件
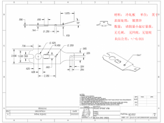
折弯件 冲压件
点击图片查看原图
需求数量:
1500件
报价是否含税:
含税
报价是否含运费:
含运费
付款方式:
有预付
所在地:
浙江宁波市
发布时间:
2018-04-04
有效期至:
2018-04-19
[已过期]
浏览次数:
109
公司基本资料信息
您还没有登录,请登录后查看详情
注意
:查看联系方式,需开通
VIP会员
详细说明
你好, 我公司长期采购各种非标五金件出口,现采购 折弯件 冲压件,请
报发货到宁波的含税价格。
如果你是专业生产厂,请慎重核算价格,价格公道合理,拒绝随便估价。
数量:请按起订量报价。
谢谢!
附件:
SD756.pdf
SD757.pdf
更多
>
同类最新订单
冲压件加工
不锈钢冲压成型加工
304不锈钢冲压加工
304不锈钢冲压折弯成
三环点火锁弹片加工
方型提把加工
不锈钢加工件
冲压件