大采汇 - 机械制造外协加工平台 - 数智化采购招标、询价报价B2B服务商

大采汇服务号

白色达尔林delrin塑料件

点击图片查看原图
 
需求数量: 10000pcs
报价是否含税: 含税
报价是否含运费: 含运费
付款方式: 有预付
所在地: 上海
有效期至: 2015-08-31 [已过期]
最后更新: 2015-08-24 08:52
浏览次数: 24
 
公司基本资料信息

您还没有登录,请登录后查看详情


 注意:发布人未在本站注册,建议优先选择VIP会员
详细说明
产品名称 采购量 产品描述  
白色达尔林delrin塑料件询盘 10000pcs
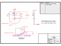
我们一个国外客人发过来的询盘,是一个继电器棘轮机械零件 图纸号:RLA-80062 数量:1万个 材料:delrin 900 (达尔林900塑料) 材料颜色:白色 模具费和单价分开报 不要开票,但是要求含运费货物送上海 报价及联系邮箱:info@isf-industry.com
 
更多>同类最新订单
包橡胶螺丝加工 塑料件加工 塑料件加工 塑料件加工 塑料托盘加工 注塑模具加工 梳子加工 塑胶模具加工