手机版
桌面版
二维码
开年换新·稳价保供
施耐德电气新客礼
亚德客电磁阀37.99元
西门子PLC
博世电动工具
西门子PLC
大采汇服务号
公告:
首页广告位出租
点击查看详情>
首页
最新采购单
优质工厂
优质产品
公众号
小程序
认证中心
采购行业分类
塑胶件
冲压件
钣金加工
包装印刷
焊接件
机加工
表面处理
锻造铸造
服装纺织
机械设备
电子电器
玻璃制品
模具加工
木材家具
首页
>
最新订单
>
机加工
(小车)机械设备零件加工
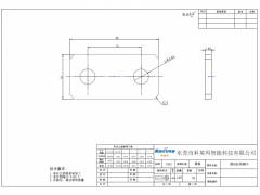
点击图片查看原图
需求数量:
7批
报价是否含税:
含税
报价是否含运费:
含运费
付款方式:
有预付
所在地:
广东东莞市
发布时间:
2018-01-04
有效期至:
2018-02-03
[已过期]
浏览次数:
19
公司基本资料信息
您还没有登录,请登录后查看详情
注意
:查看联系方式,需开通
VIP会员
详细说明
(小车)机械设备零件加工,
报价请联系邮箱
1批:
侧盖2.PDF
侧下盖板.PDF
吊环滑座.PDF
吊环座.PDF
顶升梁盖壳.PDF
1批:
挂钩导向.PDF
挂钩导向轴承垫.PDF
挂钩关节销.PDF
挂钩母座.PDF
挂钩轴抱座.PDF
1批:
横拉柱垫片.PDF
轮轴.PDF
轮座-左.PDF
球头锁紧销套.PDF
液压缸尾端销.PDF
1批:
侧面护盖.PDF
导向轴盖.PDF
吊环卡扣.PDF
顶升梁板.PDF
液压缸座.PDF
1批:
挂钩.PDF
挂钩导向母座.PDF
挂钩导向轴承轴.PDF
挂钩铰链轴.PDF
挂钩液压缸座.PDF
1批:
横拉柱.PDF
两侧主梁.PDF
轮轴盖.PDF
前保险杠.PDF
压簧垫片.PDF
1批:
液压缸尾销卡.PDF
更多
>
同类最新订单
挡钞杆滑板CNC加工
缓冲板CNC加工
压板加工
滑座CNC加工
支架垫板CNC加工
支架垫片加工
支承托板CNC加工
连接支座CNC加工