手机版
桌面版
二维码
开年换新·稳价保供
施耐德电气新客礼
亚德客电磁阀37.99元
西门子PLC
博世电动工具
西门子PLC
大采汇服务号
公告:
五一开通会员有优惠
点击查看详情>
首页
最新采购单
优质工厂
优质产品
公众号
小程序
认证中心
采购行业分类
塑胶件
冲压件
钣金加工
包装印刷
焊接件
机加工
表面处理
锻造铸造
电子电器
机械设备
服装纺织
玻璃陶瓷
模具加工
木材家具
首页
>
最新订单
>
机加工
车床零件加工
点击图片查看原图
需求数量:
1000套
报价是否含税:
含税
报价是否含运费:
含运费
付款方式:
有预付
所在地:
广东东莞市
发布时间:
2017-12-01
有效期至:
2017-12-31
[已过期]
浏览次数:
30
公司基本资料信息
您还没有登录,请登录后查看详情
注意
:查看联系方式,需开通
VIP会员
详细说明
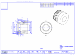
我司提供内径30,外径70的铝管材料,直径20的圆棒,内径62,外径67无需加工外径的铁管,管子两端CNC铣掉厚0.5mm,深25mm台阶,或者车床车两个台阶
附件:
副滚筒(圆管).pdf
副滚筒芯轴.PDF
副滚筒轴承套1.pdf
副滚筒轴承套2.pdf
更多
>
同类最新订单
CNC加工件
大板加工
插销车加工
搅拌杆接头加工
不锈钢箱体加工
丝杆加工
螺母加工
零件加工