大采汇 - 机械制造外协加工平台 - 数智化采购招标、询价报价B2B服务商

大采汇服务号

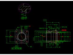
铝合金压铸开模

点击图片查看原图
 
需求数量: 50000PCS
报价是否含税: 含税
报价是否含运费: 含运费
付款方式: 有预付
所在地: 广东东莞市
发布时间: 2015-08-06
有效期至: 2015-09-05 [已过期]
浏览次数: 35
 
公司基本资料信息

您还没有登录,请登录后查看详情


 注意:查看联系方式,需开通VIP会员
详细说明

附图仅备注外径与总长尺寸,供参考其结构,此产品压铸胚料后,我司自行加工其它尺寸,特别要铣3条2MM左右深的螺旋槽及车内孔,不得有砂孔,需要非常有能力解决砂孔、拉伤问题的压铸厂商,可联系瞿小姐。(报模具费与产品单价)谢谢! 

更多>同类最新订单
铸铁件加工 压铸件加工 铸铜件加工 锻打件加工 锻造螺母加工 渔网坠铸造件 铝压铸件 铝压铸件