手机版
桌面版
二维码
开年换新·稳价保供
施耐德电气新客礼
亚德客电磁阀37.99元
西门子PLC
博世电动工具
西门子PLC
大采汇服务号
公告:
首页广告位出租
点击查看详情>
首页
最新采购单
优质工厂
优质产品
公众号
小程序
认证中心
采购行业分类
塑胶件
冲压件
钣金加工
包装印刷
焊接件
机加工
表面处理
锻造铸造
服装纺织
机械设备
电子电器
玻璃制品
模具加工
木材家具
首页
>
最新订单
>
冲压件
铜垫圈加工
点击图片查看原图
需求数量:
15000个
报价是否含税:
含税
报价是否含运费:
含运费
付款方式:
有预付
所在地:
重庆
有效期至:
2017-12-26
[已过期]
最后更新:
2017-11-26 18:43
浏览次数:
50
公司基本资料信息
您还没有登录,请登录后查看详情
注意
:发布人未在本站注册,建议优先选择
VIP会员
详细说明
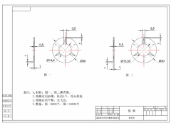
铜垫圈加工,
要求见图纸,附件:
铜垫圈.pdf
更多
>
同类最新订单
三环点火锁弹片加工
方型提把加工
不锈钢加工件
冲压件
冲压配件加工
冲压件
垫片加工
五金弹片加工