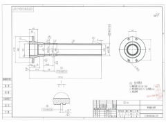
回转接头内管500件 回转接头外套300件
具体操作流程如下说明:
1、先报价,如果合适,我们将签订长期供应商服务合同,然后根据批次下订单。
2、每次预付款在30%,首次签订供应商合同需要将样品在10天内交予我公司审核(关于样品的费用,我方不承担任何费用)。
3、具体结算方式按照批次结算,具体是每个月月底双方需要将上个月账目核对清楚,具体是先开发票后支付款项。
4、发货地址:根据我公司各省服务网点及工厂的需求,按照每一个地区分厂及时需要货,要第一时间给予发货,倘若发货延迟或供应不上,导致我方本次货物带来的损失将由供应商承担。

公告:

