手机版
桌面版
二维码
开年换新·稳价保供
施耐德电气新客礼
亚德客电磁阀37.99元
西门子PLC
博世电动工具
西门子PLC
大采汇服务号
公告:
首页广告位出租
点击查看详情>
首页
最新采购单
优质工厂
优质产品
公众号
小程序
认证中心
采购行业分类
塑胶件
冲压件
钣金加工
包装印刷
焊接件
机加工
表面处理
锻造铸造
服装纺织
机械设备
电子电器
玻璃制品
模具加工
木材家具
首页
>
最新订单
>
冲压件
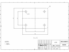
镀锌冲压件加工
点击图片查看原图
需求数量:
3000件
报价是否含税:
含税
报价是否含运费:
含运费
付款方式:
有预付
所在地:
安徽合肥市
有效期至:
2015-08-14
[已过期]
最后更新:
2015-07-30 19:51
浏览次数:
19
公司基本资料信息
您还没有登录,请登录后查看详情
注意
:发布人未在本站注册,建议优先选择
VIP会员
详细说明
请根据图纸尺寸要求,提供报价,产品表面要求镀彩锌,轴销压板单次采购量2000个,集电器支架底座板单次采购1000个,常年使用,每年采购2-3次,报价为产品最终价格,不接受另外支付模具费。
更多
>
同类最新订单
三环点火锁弹片加工
方型提把加工
不锈钢加工件
冲压件
冲压配件加工
冲压件
垫片加工
五金弹片加工