手机版
桌面版
二维码
开年换新·稳价保供
施耐德电气新客礼
亚德客电磁阀37.99元
西门子PLC
博世电动工具
西门子PLC
大采汇服务号
公告:
首页广告位出租
点击查看详情>
首页
最新采购单
优质工厂
优质产品
公众号
小程序
认证中心
采购行业分类
塑胶件
冲压件
钣金加工
包装印刷
焊接件
机加工
表面处理
锻造铸造
电子电器
机械设备
服装纺织
玻璃陶瓷
模具加工
木材家具
首页
>
最新订单
>
机加工
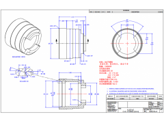
五金件加工定制
点击图片查看原图
需求数量:
150000只
报价是否含税:
含税
报价是否含运费:
含运费
付款方式:
有预付
所在地:
浙江宁波市
发布时间:
2015-07-30
有效期至:
2015-08-06
[已过期]
浏览次数:
22
公司基本资料信息
您还没有登录,请登录后查看详情
注意
:查看联系方式,需开通
VIP会员
详细说明
注意同心度和公差,图纸是英寸图
500246-4.pdf
如能加工,请给我们报含税含运费含包装的单价,货到我们公司仓库,宁波鄞州姜山,包装为内用塑料袋,外用纸箱,最外用免薰蒸木箱(木箱大小:长不超过100CM*宽不超过80CM*高度根据产品定,但不超过100CM)。如需模具夹具费的,请另外报开票的费用。
报价时请注明产品毛重,材料价格,样品交期。
更多
>
同类最新订单
农业传动轴加工
平头螺钉加工
锥齿轮加工
内外圆磨加工
合页加工
前轴壳加工
挤压加工
紫铜管加工