手机版
桌面版
二维码
开年换新·稳价保供
施耐德电气新客礼
亚德客电磁阀37.99元
西门子PLC
博世电动工具
西门子PLC
大采汇服务号
公告:
首页广告位出租
点击查看详情>
首页
最新采购单
优质工厂
优质产品
公众号
小程序
认证中心
采购行业分类
塑胶件
冲压件
钣金加工
包装印刷
焊接件
机加工
表面处理
锻造铸造
服装纺织
机械设备
电子电器
玻璃制品
模具加工
木材家具
首页
>
最新订单
>
机加工
316不锈钢车床加工
点击图片查看原图
需求数量:
6套
报价是否含税:
含税
报价是否含运费:
含运费
付款方式:
有预付
所在地:
陕西西安市
有效期至:
2017-09-17
[已过期]
最后更新:
2017-09-10 23:09
浏览次数:
35
公司基本资料信息
您还没有登录,请登录后查看详情
注意
:发布人未在本站注册,建议优先选择
VIP会员
详细说明
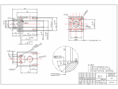
316不锈钢
车床加工,
具体看图纸
附件:
ZXMS_8_20170907-壳体端盖.pdf
更多
>
同类最新订单
细钢丝穿珠针加工
金属直角两通加工
T型三通加工
两通加工
四通加工
铁和不锈钢加工
机加工件
304不锈钢加工件